輸入模塊 青鳥JBF4132
功能特點
內置微處理器,采用SMT表面貼裝工藝。
回路信號處理電路與輸入檢測信號處理電路實現電氣隔離,抗干擾能力強。
具備狀態(tài)監(jiān)測和多種故障檢測功能。
插拔式結構,易于施工、維護方便。
兩線制,信號線無極性。功耗低,通訊距離1500m。
技術參數列表
內容 | 技術參數 |
工作電壓 | DC18V-27V,調制型,控制器提供 |
線制 | 兩線制,信號線無極性 |
工作溫度 | -10~+50℃ |
貯存溫度 | -20~+55℃ |
相對濕度 | ≤95%(40±2℃) |
監(jiān)視電流 | ≤0.25mA(24V) |
報警電流 | ≤1mA(24V) |
確認燈 | 監(jiān)視狀態(tài)時輸入動作燈紅色閃亮,動作狀態(tài)時輸入動作燈紅色常亮,故障狀態(tài)時輸入動作燈不亮 |
外形尺寸 | 85mm長×85mm寬×41mm厚 |
編址方式 | 使用專用電子編碼器 |
編址范圍 | 1-200 |
通訊距離 | 1500m |
執(zhí)行標準 | GB16806-2006《消防聯動控制系統(tǒng)》 |
結構特征、安裝與布線
采用明裝方式,通過預埋盒或使用膨脹螺絲將底座固定在墻上,安裝孔距為60mm。
使用專用電子編碼器對其設定地址碼(1-200)。
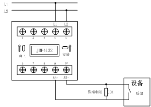
L1端子4、L2端子5分別接信號線L1和L2,無極性,信號線采用ZR-RVS-2×1.5mm2雙絞線。
模塊主體應在布線檢查后、調試之前安裝,防止因不恰當安裝作業(yè)造成損失。
外形結構圖

安裝尺寸圖

接線示意圖

說明
L1端子4、L2端子5分別接信號線L1和L2,無極性。
監(jiān)視無源閉合應答的現場設備時,AS+端子9、AS-端子10接應答(無源觸點),且需在監(jiān)視設備的動合端并聯10KΩ終端電阻。

